35АС-1 (S-90): Легендарная акустика, созданная Роландом Керно

В истории советской аудиотехники есть культовый продукт, окруженный легендами и спорами — акустическая система 35АС-1, более известная как S-90. Это был настоящий прорыв: первая в СССР серийная акустика, соответствующая международному стандарту Hi-Fi (DIN 45500). Она задала высокую планку качества и на долгие годы стала символом мечты советского меломана о хорошем звуке. Интересно, что её создатель, Роланд Керно, прошёл уникальную школу, работая в годы войны на предприятиях знаменитой немецкой фирмы Telefunken.

История S-90 обросла и современными мифами. В частности, в русскоязычном интернете появился человек, который приписывает себе её создание. Этот спорный момент требует отдельного внимания, так как истинным автором проекта был именно Роланд Керно, патриарх латвийской и советской электроакустики.

Военные корни: школа Telefunken

В 1941 году рижское предприятие, позже ставшее известным как «Радиотехника», вошло в состав немецкого концерна Telefunken. Здесь занимались военными заказами, ремонтом радиопередатчиков и акустического оборудования. Именно в этот сложный период на заводе начал работать молодой инженер Роланд Керно. Опыт, полученный в одной из ведущих европейских технических компаний того времени, безусловно, сформировал его профессиональное мышление и дал бесценные знания.

По некоторым воспоминаниям, Керно участвовал в создании крупных громкоговорителей и акустики для радиоприёмников. Есть мнение, что ему удалось перенять некоторые технологические секреты немецких коллег, в частности, касающиеся производства диффузоров. Этот опыт позже лёг в основу его собственных инновационных разработок.

Путь инноватора: биография Роланда Керно

Окончив технический факультет Латвийского университета, Керно продолжил работу на «Радиотехнике» уже в послевоенное время. Он был не просто талантливым инженером, а настоящим новатором, чьи идеи часто опережали время. В отличие от многих советских конструкторов, копировавших западные образцы, Керно создавал оригинальные решения, не уступавшие мировым аналогам.

Уже в начале 1960-х он предложил использовать для высококачественного звука многополосные системы с пассивными разделительными фильтрами. Эта концепция, ставшая стандартом в мировой индустрии лишь спустя десятилетия, демонстрирует его дальновидность. Благодаря фундаментальным знаниям и смелым идеям Керно заслужил авторитет и возглавил одно из направлений в конструкторском бюро «Орбита» при объединении «Радиотехника».

Рождение легенды: почему понадобилась S-90

Как и многие прорывные проекты в СССР, создание новой акустики было вызвано практической необходимостью. В 1975 году на выставке «Связь» представили новую радиолу «Виктория 003» и электрофон «Аллегро 002». Для их полноценной работы требовалась мощная и качественная акустика. Техническое задание предусматривало создание системы с номинальной мощностью 35 Вт на канал.

Разработку поручили КБ «Орбита». Роланд Керно, уже имевший несколько патентов в области электроакустики, увидел в этом шанс. Он вышел за рамки исходных требований и заложил в проект параметры, соответствующие стандарту Hi-Fi, что и определило будущий успех системы.

Первая ласточка: акустика 35АС-1

В 1977 году в результате напряжённой работы коллектива под руководством Керно и его коллеги Дзинтарса Ласиса была создана акустическая система 35АС-1. По сути, это и есть прототип будущих S-90, отличавшийся в основном дизайном корпуса. Эта модель стала первой в СССР, официально соответствующей стандарту Hi-Fi.

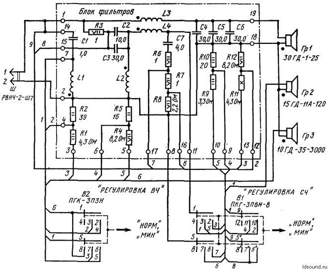
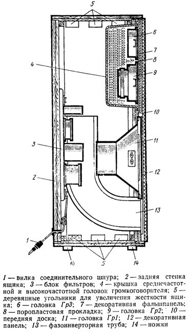
Конструкция была продуманной и передовой для своего времени. Для мощного и чистого баса использовалось фазоинверторное оформление, причём отверстие туннеля вынесли на переднюю панель для удобства размещения. Средне- и высокочастотные динамики разместили в отдельных изолированных камерах, чтобы подавить паразитные резонансы. В системе работали три динамические головки: 30ГД-1-25 (НЧ), 15ГД-11-120 (СЧ) и 10ГД-35-3000 (ВЧ).

Одной из характерных особенностей стали ступенчатые регуляторы уровня для СЧ и ВЧ диапазонов. Они позволяли гибко настраивать звучание, ослабляя сигнал на -3 или -6 дБ в выбранных полосах (500-5000 Гц и 5000-20000 Гц), что помогало адаптировать звук к акустике помещения и личным предпочтениям.

Лучшая акустика СССР 1970-х

Технические характеристики 35АС-1/S-90 не имели равных среди советской бытовой акустики того периода. По оценкам экспертов, она превосходила многие западные аналоги, уступая, пожалуй, только лучшим японским моделям.

  • Паспортная мощность — 90 Вт.
  • Номинальная мощность — 35 Вт.
  • Сопротивление — 4 Ом (8 Ом).
  • Диапазон частот — 31.5 – 20000 Гц (±4 дБ).
  • Звуковое давление — 1.2 Па.
  • Уровень искажений: 2% (250-1000 Гц), 1.5% (1000-2000 Гц), 1% (2000-6300 Гц).
  • Габариты — 360x710x285 мм.
  • Вес — 30 кг.

Через два года, в 1979-м, система с обновлённым дизайном пошла в массовое производство под именем S-90. Позже появились модификации S-90B и S-90D с расширенным частотным диапазоном, индикацией перегрузки и новым оформлением.

Достоинства, недостатки и наследие

Как и любой культовый продукт, S-90 имела свои сильные и слабые стороны. Аудиофилы отмечали иногда излишне гулкий бас, неидеальную передачу тембра и ограниченную эффективность встроенных фильтров при неправильном согласовании с усилителем. Критике подвергалась и конструкция разделительного фильтра.

Однако высокая мощность, надёжность и простая конструкция открывали широкий простор для модернизаций. Радиолюбители десятилетиями совершенствовали эти колонки, меняя фильтры, динамики и демпфирование, что говорит о живом интересе к легенде.

Спор об авторстве

После распада СССР и прекращения производства в 1990-х годах имя настоящего создателя в России стало забываться. Роланд Керно, продолжавший работать инженером и ставший членом Латвийского акустического общества, скончался в 2003 году. В 2014 году неожиданно появился человек, член РАЕН Александр Ян-Беляевский, который заявил, что именно он является автором S-90, разработавшим её фильтры в 1980-х годах. Однако никаких документальных подтверждений его работы на «Радиотехнике», кроме его собственных слов, не существует, что ставит эти заявления под сомнение.

Итоги и влияние

И по сей день S-90 можно встретить в домах любителей музыки и в коллекциях ценителей ретро-техники. Энтузиасты продолжают делиться вариантами её улучшения. Роланд Керно оставил колоссальное наследие: он автор более десятка изобретений и разработчик около 30% всех акустических систем, выпускавшихся в СССР после 1940 года. Его коллеги отзывались о нём как об уникальном специалисте, который сочетал глубокие знания с творческим подходом, считая, что в создании идеального звука всегда есть место искусству.

"Это человек уникальный, все «акустики», что с конца 40-х годов производила «Радиотехника», разрабатывал он. Одним из первых он придумал сам принцип: брать несколько динамиков, отвечающих за узкую полосу частот, и разделять их специальными фильтрами. Но Роланд Паулович считал, что невозможно собрать настолько исчерпывающую информацию, чтобы сделать все предсказуемо на бумаге. Всегда какой-то момент творчества останется в этой работе..."

PULT.ru ― Ваш личный эксперт в электронике!

#советский hi-fi #акустика ссср #обзор #меломаны #история ссср в деталях #звук #pult.ru #колонки радиотехника

Еще по теме здесь: История.

Источник: Первый советский hi-fi и его создатели: 35ас-1,s-90, Керно.